Pump Controls Optimize HPU Performance
This file type includes high resolution graphics and schematics when applicable.
The function of a variable-displacement pump is to supply fluid flow to a hydraulic system at the rate required by the system. The control of fluid flow is achieved by moving the pump’s swashplate, which, in turn, increases or decreases the pump’s displacement. Ultimately, this increases or decreases flow from the pump to the hydraulic system. The movement of the swashplate position is accomplished using any of several different types of pump controls.
Volume and Pressure Control
The simplest pump control uses a mechanical link connected to the pump’s swashplate to the stroke of the pistons. This can be as straightforward as a lever or a screw adjusted by hand to vary output flow from the pump.
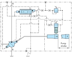
The most common pump control is pressure control. In this scheme, system pressure is monitored and automatically adjusts pump displacement to maintain a set point. Pressure compensation is often the choice for pressure control because it lets the pump stay at full stroke until pressure builds at the pump outlet port. Once the preset system pressure is achieved, the control automatically reduces pump displacement to allow just enough flow to maintain the desired pressure. As load flow demand changes, the pressure compensator responds by modifying the pump stroke to maintain the pressre setting. This type of control can be considered an on-demand flow system. With some types of pumps the user can select from multiple set points. This can be accomplished through the use of solenoid valves.
The Next Step
To take pressure control one step further entails monitoring the pressure drop across an orifice and adjusting the pump flow to maintain a constant differential pressure (âP) across that orifice. The pressure drop across the orifice is monitored instead of the pressure at the load because the pressure drop across the orifice is proportional to the flow through it. So, maintaining a constant pressure drop ensures a constant flow. This function is called load-sense control.
The load-sense control will increase or decrease the output flow to maintain the preset âP across the load orifice. This means that regardless of load conditions or changes to the prime mover speed, the flow will remain constant for a given orifice opening. The load-sense control has the same maximum pressure setting as the straight pressure compensated control, but load sensing has a second set point. This type of control supplies only the flow required at whatever pressure is needed to do the work. The advantage is that the system only uses enough power to maintain proper flow.
Another type of pressure control is power limiting, which monitors the flow being delivered to a system and the system pressure. Pump stroke is modified to prevent the pressure-flow combination from exceeding a preset maximum power setting. If the system can run at lower pressure, the pump runs at full stroke (flow). However, as the pressure requirement increases, the power limiter reduces the flow available to the system. This control optimizes the pressure-flow combination for the specified maximum power.
Pressure compensation, load sensing, and power limiting all can be implemented on the same pump to produce the most efficient pump operation. In this triple combination, the load-sensing function takes command until the flow-pressure combination meets the maximum power setting. At that point, the power-limiting function takes over until the maximum pressure of the compensator takes the pump to standby mode.
Into the Future
In today’s world, higher efficiency with greater flexibility is the goal. As already mentioned, the right choice of mechanical pump controls can greatly influence the input power requirements. Adding electronic options adds a higher level of flexibility and control.
The mechanical pressure compensator can have one, two, or three preset pressure settings selectable by solenoids. Replacing the screw adjustment for setting pressure with a proportional pressure-control valve provides infinite adjustments through a variable command voltage. This allows configuring the system on the fly in response to changing requirements.
Another optional addition to the pressure compensator is the electronic displacement control (EDC). The EDC lets the operator adjust the pump stroke (flow) with a proportional command. This command can come from a joystick or an intelligent system controller. The proportional control commands the pump as long as the system pressure is below the pressure compensator setting. Once pressure exceeds the compensator setting, the mechanical control overrides the EDC valve to reduce the pump stroke. This control can be configured so that a loss of the electronic command signal still allows the pump to perform as a pressure-compensated pump.
This file type includes high resolution graphics and schematics when applicable.
The ultimate flexibility comes through the use of a servo-proportional control. In this configuration, the mechanical control is replaced with a servo or proportional valve. Any change in pump command must come from an external electronic system. This system can monitor all feedback and safety devices on equipment to make intelligent decisions about the flow and pressure requirements to command the pump accordingly.
Bill Fischer is Piston Pump Product Manager at The Oilgear Co., Milwaukee. For more information, call (414) 327-1700.
About the Author

Leaders relevant to this article:







