Tip #14 — Go with the flow (control)
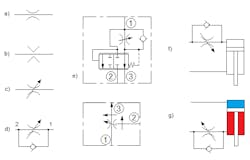
The simplest way to reduce flow (and increase pressure) is to create a restriction. If that restriction is intentional, we normally use the symbol in example a). Sometimes the simple restriction is called an orifice. What matters is the inside diameter is reduced and then generally expanded again after the restriction.
The type of orifice you create matters. Every orifice will flow more if the pressure at the inlet relative to the outlet is increased (in this case, pressure does increase flow). Orifices are not pressure-compensated (i.e. changes in pressure downstream of the orifice will affect the flow through itself). However, a well made “knife-edged” orifice is viscosity and temperature compensated, like the one shown in b). Because the shape is like the leading edge of a razor blade, only pressure differential dictates flow. Essentially the “thickness” of the oil doesn’t matter, because the oil molecules don’t have to squeeze down together into a tunnel.
Ninety percent of the flow control symbols you see will be the a) example. The others may use b), but the symbol is usually reserved to show an actual fixed orifice, like a 0.040-in. diameter drilling, and orifice plug or disc. If you see the orifice symbol, assume it is a fixed drilling of some sort added to a circuit rather than a valve type.As usual, adding a diagonal arrow to a symbol creates variability. For the symbol in example c), this would represent a needle valve, which is just a variable restriction. They’re usually a cone shaped needle with a screw mechanism and a cone at the bottom. Turning the knob opens or closes the gap between the needle and seat, adjusting flow rate. Other than some valves (such as Hydac’s DV needle valve), they’re not pressure-, temperature- nor viscosity-compensated.
For example d), the addition of a simple check valve—which can be spring biased or not—turns it into a “flow control.” The valve will allow free flow from ports 1 to 2, as fluid bypasses the needle valve and flows through the check valve instead. From ports 2 to 1, fluid is blocked from flowing left to right through the check valve and is forced to be “metered” through the needle valve. Essentially, a flow control meters flow in one direction but allows free flow in the other.
In example e), I show bypass type flow control, sometimes call a “three-port flow control.” There are a couple reasons to choose this over a standard two-port flow control. Fixed displacement pumps must pump a given flow based on their size and the speed they’re turned at. If you put a flow control downstream of a fixed pump, the fluid not going through the flow control has to go somewhere, and that would normally be over the relief valve.
A bypass flow control (a valve of many names; also called a priority flow control) will dump fluid to tank (or to another part of the circuit) that’s not going through the flow control portion. So if you have a 10 gpm pump and your flow control is set to 8 gpm, you will have 2 gpm flowing out of the third port. One thing to remember here; if you’re doing horsepower calculations (psi X gpm / 1714), you will use 10 gpm as your flow, not 8 gpm. The pump is still putting out 10 gpm, and the flow control doesn’t change that.
The second use for a priority flow control is the division of flow at a ratio between two sub-circuits. Like in the above example, if you have 8 gpm as your priority flow control setting, the 2 gpm can still be used for another cylinder or motor. You could change the ratio, and use seven and three, five and five, or any ratio you can imagine. In most cases the priority setting gets…um…priority. So if your pump flow drops to 9 gpm, the bypassed flow is now only 1 gpm. If the flow drops to 7 gpm, the bypass flow will be zero.
In the example, I show both the HydraForce symbol and standard ISO symbol for the valve. Looking now to the basic symbol on the bottom, the priority flow would be port 3, the bypass flow would be port 2. This of course means flow is entering at port 1. The diagonal arrow means the valve is variable, and the other two arrows describe the flow paths as pressure compensated.
Sometimes you will see a thermometer symbol bisect the flow path line, which means it is also temperature-compensated (meaning temperature has no effect on flow rate).
You may have heard the terms “meter in” or “meter out,” and those terms describe flow controls being applied to the pressure port or return port of an actuator. Example f) is meter in. Because of the check valve, fluid must pass through the flow control before entering the cylinder cap port. This configuration will limit velocity as the cylinder extends, but because of the check valve, it will retract at full speed.
Metering-in works well as long as you don’t have tension on the rod. If the rod was facing down and a load wanted to pull the rod out, the flow controls wouldn’t allow fluid to enter the cap end of the cylinder as quickly as the mass wants to move the cylinder. This would cause cavitation on the cap, which is bad … very bad.
Finally, example g) is a meter out example. This would work well for situations when the rod is in tension because it’s preventing the cylinder from running away, but there are concerns here, too. When you push fluid into the cap side (blue), the pressure against the piston creates force which is additive to the load under tension. This can cause what is called “pressure intensification,” which can damage seals or cause blow-outs. When you use an application such as this, be sure the intensification pressure is not higher than the pressure rating of the cylinder.


