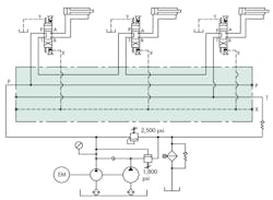
Troubleshooting Challenge: Series Manifold System Can’t Reach Pressure When Valves Were Changed
An old press system was upgraded for a machine using a series of three hydraulic cylinders to sequentially form large parts into the frame of an OEM’s large grader. The circuit shown was provided for our review to help troubleshoot a problem that occurred when technicians replaced old worn valves with newer versions. They gave a local hydraulic distributor the model numbers from the old valves, and the supplier supplied “form and fit” replacements for the D08 footprint pattern on the 3-bank manifold.
When technicians first received the valves, they had to remove the solid internal pilot pressure plugs to get the valves to shift. The problem that developed with the new valves was that the system would only reach 1,800 psi, the same pressure as the unloading valve.
Another new problem occurred when the first or second valve cylinder stalled out. Operators could still cycle the next second or third cylinder, which caused mechanical interference problem with the first one.
Solution to Last Month’s Challenge:
Injection Molding Machine Can’t Finish the Job
The pressure problem in the injection molding machine was caused by abrasive contaminants in the dirty oil scarring Solenoid 1A’s spool. It was so bad that all the flow went through the loading relief control orifice. This control orifice has a diameter of only about 0.015 to 0.020 in., so it doesn’t take much scarring to let oil leak back to the tank instead of controlling the balancing pressure.
Congratulations to Doug Hite, of Charlotte, N.C., whose name was chosen from those who correctly answered last month’s challenge.
About the Author
Robert Sheaf
President
Robert J. Sheaf Jr., is the founder and president of CFC Industrial Training, formerly Certified Fluid Consultants, part of CFC-Solar Inc. CFC-Solar provides technical training, consulting, and field services to any industry using fluid power technology.

Leaders relevant to this article:


