Troubleshooting Challenge: Drifting Cylinder Problem
This file type includes high resolution graphics and schematics when applicable.
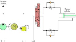
A hydraulic system was designed and sold by a new sales engineer. The application required an ejector cylinder to remain fully retracted for a dwell period while the molded part cured. Once the part was fully cured, the cylinder would extend to eject the part, emptying the mold for the next cycle. The circuit used in the design is shown below.
After the system was installed, the customer complained that every time the machine dwelled more than six to 10 sec, the ejector cylinder began to drift out, extending into the mold cavity. This caused unwanted recesses in the cured part. The customer overcame this problem by leaving the retract solenoid energized during the long curing process.
The customer’s maintenance department installed pilot-operated check valves in the A and B ports, thinking this would solve the problem. After air was bled from the system, it started to drift again. Thinking he had a bad cylinder, the maintenance supervisor ordered a new cylinder. But, again, once the air was bleed from the system, the new cylinder started to drift, just as before.
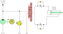
Solution to drifting cyinder problem
Blocked center, spool type, directional-control valves have the pressure port located between the A and B ports with the T port to the outside. Sliding-spool valves have clearances between the spool and valve body to allow the spool to travel back and forth. Pressurized oil can leak from the P port to the cylinder ports, resulting in a pressure buildup on both sides of the cylinder. When applying the same pressure to both sides of a single-rod cylinder, the cap end exerts more force than the rod end, and many cylinders will start to drift (extend).
The construction of most spool-type directional-control valves will allow the cylinder ports to build up to ½ of the system pressure present at the P port. The solution was to change the directional-control valve spool center configuration to connect the cap end to tank, and block the rod end when the valve's spool was centered. The leakage to the rod-side port would tend to cause the cylinder to retract, since the cap was connected to the tank. This would take advantage of the spool leakage characteristics and save energy by allowing both solenoids to remain de-energized during the long curing time.
About the Author
Robert Sheaf
President
Robert J. Sheaf Jr., is the founder and president of CFC Industrial Training, formerly Certified Fluid Consultants, part of CFC-Solar Inc. CFC-Solar provides technical training, consulting, and field services to any industry using fluid power technology.

Leaders relevant to this article:


